Description
Technical Specification
| Elevation angle | 35/-20 degrees |
| Stepless adjustable dump stop | 0-20 degrees |
| Weight | 1,5 kg |
| Material | Titanium G3 taper, Steel frame, Aluminum dump stop |
Are you interested in this product?
Contact us for further questions and a price quote.
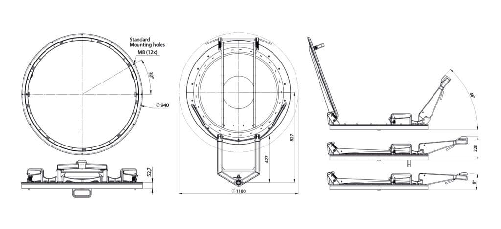
Dimensions and Graphics
Related Products
About Endurus
In a rapidly evolving world, Endurus is committed to enduring resilience and sustainability. With over fifty years of product development experience, we combine the wisdom of the past with the needs of the future to craft solutions that prioritize long-term safety and reliability. Our products are designed to adapt to changing needs, ensuring lasting security. We pride ourselves on delivering swiftly and precisely while planning for the future, continuously improving to protect and preserve every moment.


















